排针排母2.0简易牛角90°技术参数
额定电流: 1.5A
耐电压:AC400V
绝缘电阻:800M min
接触电阻:20m max
工作温度:-40℃~105℃
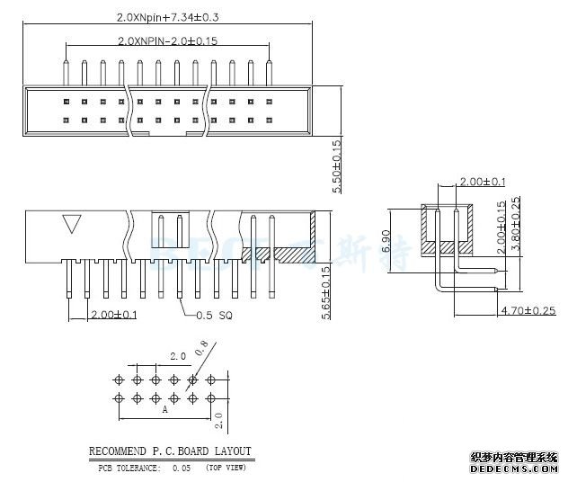
排针排母2.0简易牛角90°参考图纸
单位:mm

Copyright © 上海某某电子仪器有限公司 版权所有 京ICP备1111111
全国服务电话:021-111111111 传真:021-111111111
公司地址:上海市高新区幸福广场幸福大道A26-8